The Milbank UCSS 3433-O-141 Stainless Steel socket provides a complete solution for today's complex metering requirements.
Sockets come with pre-drilled and tapped test switch mounting platform.
304 Stainless Steel enclosure with 304SS cover plate.
Blank hub with no knock-outs.
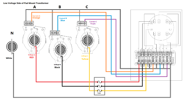
For use with 3 phase 4 wire transformer rated meters, Form 9S, 8S, and 6S
Ringless Type Socket, suitable for NEMA 3R type applications.
Consult your salesperson for custom wire color and powder coating options